service@liaoningqingyuan.com
产品主要特征:
尺寸齐全,可以根据客户要求加工生产;
安装方式多样化;
颜色为黑色或灰色;
产品主要应用:
小型码头;
拖轮和施工船;
产品性能曲线:
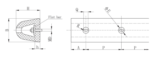
规格尺寸
压缩变形
反力
KN
吸能量
KN.M
D200x200x1000
50%
147
5.1
D300X300X1000
294
12
D300X360X1000
324
14
D400X400X1000
383
20
D500X500X1000
451
31
说明:性能公差±10%
Quantity:
Company Name:
Add:
Fax:
姓名 *
邮箱
电话*
产品名称
内容 *