service@liaoningqingyuan.com

Facebook
Twitter
Google+
LinkedIn
Pinterest

NINEGAME.COM
NINEGAME.COM
  • 网站首页
  • 公司简介
  • 产品中心
    • 缓冲器
      • NINEGAME.COM
      • 九游(中国)
      • 复合缓冲器
      • 聚氨酯缓冲器
      • 弹簧缓冲器
      • 橡胶缓冲器
      • 液气缓冲器
      • 气混九游(中国)
    • 橡胶护舷
      • 超级鼓型橡胶护舷
      • 超级锥型橡胶护舷
      • 超级拱形橡胶护舷
      • 圆筒形橡胶护舷
      • D型橡胶护舷
      • 充气橡胶护舷
      • 漂浮型护舷
      • 拖轮橡胶护舷
      • 方型橡胶护舷
      • GD型橡胶护舷
      • ME型橡胶护舷
      • W型护舷
      • 转动护舷
      • 橡胶梯
    • 防冲板
    • 系船柱
      • 单柱式系船柱
      • T型系船柱
    • 相关配件
  • 项目案例
    • 项目案例
  • 新闻中心
  • 下载中心
  • 九游(中国)
  • English

超级拱形橡胶护舷

网站首页 产品中心 超级拱形橡胶护舷 超级拱形橡胶护舷
超级拱形橡胶护舷
超级拱形橡胶护舷

超级拱形橡胶护舷

  • 产品编号:Fendersys-DA
  • 产品主要特征:

    1. 高吸能量,低反力;

    2. 结构简单,使用寿命长;

    3. 由于内应力分散在整个护舷,故具有高耐久性;

    4. 尺寸范围广泛;

    5. 易于安装;

    产品主要应用:

    1. 集装箱船泊位;

    2. 杂货船泊位;

    3. 滚装船和邮轮泊位;

    4. 造船厂泊位;


    立刻联系

    详细介绍

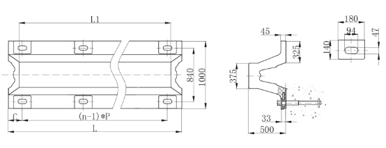
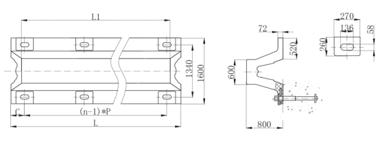
    产品规格:

    1. DA-A300H

    image.png

    规格型号

    C(mm)

    P(mm)

    L1(mm)

    L(mm)

    n

    DA-A300X1000

    140

    870

    1000

    1150

    2

    DA-A300X1500

    140

    685

    1500

    1650

    3

    DA-A300X2000

    137.5

    625

    2000

    2150

    4

    DA-A300X2500

    140

    790

    2500

    2650

    4

    DA-A300X3000

    145

    715

    3000

    3150

    5

    DA-A300x3500

    140

    674

    3500

    3650

    6








    产品性能曲线:

    R:KN          E:KN.M

    RS

    RH

    RO

    RL

    52.5%

    55%

    52.5%

    55%

    52.5%

    55%

    52.5%

    55%

    DA-A300X1000

    R

    324

    450

    249

    346

    206

    286

    177

    246

    E

    41

    44

    31

    33

    26

    28

    22

    24

    DA-A300X1500

    R

    486

    675

    374

    519

    309

    429

    266

    369

    E

    62

    66

    47

    50

    39

    42

    33

    36

    DA-A300X2000

    R

    648

    900

    498

    692

    412

    572

    354

    492

    E

    82

    88

    62

    66

    52

    56

    44

    48

    DA-A300X2500

    R

    810

    1125

    623

    865

    515

    715

    443

    615

    E

    103

    110

    78

    83

    65

    70

    55

    60

    DA-A300X3000

    R

    972

    1350

    747

    1038

    618

    855

    531

    738

    E

    123

    132

    93

    99

    78

    84

    66

    72

    DA-A300X3500

    R

    1134

    1575

    872

    1211

    721

    1001

    620

    861

    E

    144

    154

    109

    116

    91

    98

    77

    84

    说明:性能公差±10%

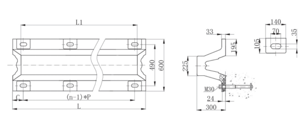
    2. DA-400H

    image.png

    规格尺寸

    C(mm)

    P(mm)

    L1(mm)

    L(mm)

    n

    DA-A400X1000

    150

    900

    1000

    1200

    2

    DA-A400X1500

    150

    700

    1500

    1700

    3

    DA-A400X2000

    147.5

    635

    2000

    2200

    4

    DA-A400X2500

    150

    800

    2500

    2700

    4

    DA-A400X3000

    150

    725

    3000

    3200

    5

    DA-A400x3500

    150

    680

    3500

    3700

    6

    产品性能曲线:

    R:KN          E:KN.M

    RS

    RH

    RO

    RL

    52.5%

    55%

    52.5%

    55%

    52.5%

    55%

    52.5%

    55%

    DA-A400X1000

    R

    432

    600

    332

    461

    275

    382

    236

    328

    E

    73

    78

    56

    60

    46

    49

    40

    43

    DA-A400X1500

    R

    648

    900

    498

    692

    413

    573

    354

    492

    E

    110

    117

    84

    90

    69

    74

    60

    65

    DA-A400X2000

    R

    864

    1200

    664

    922

    550

    764

    472

    656

    E

    146

    156

    112

    120

    92

    98

    80

    86

    DA-A400X2500

    R

    1080

    1500

    830

    1153

    688

    955

    590

    820

    E

    183

    195

    140

    150

    115

    123

    100

    108

    DA-A400X3000

    R

    1296

    1800

    996

    1383

    825

    855

    708

    984

    E

    219

    234

    168

    180

    138

    147

    120

    129

    DA-A400X3500

    R

    1512

    2100

    1162

    1614

    963

    1001

    826

    1148

    E

    256

    273

    196

    210

    161

    172

    140

    151

    说明:性能公差±10%

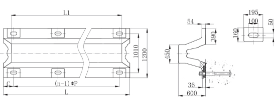
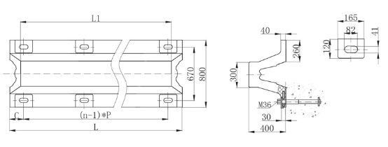
    3.DA-A500H

    image.png

    规格尺寸

    C(mm)

    P(mm)

    L1(mm)

    L(mm)

    n

    DA-A500X1000

    160

    930

    1000

    1250

    2

    DA-A500X1500

    160

    715

    1500

    1750

    3

    DA-A500X2000

    157.5

    645

    2000

    2250

    4

    DA-A500X2500

    160

    810

    2500

    2750

    4

    DA-A500X3000

    165

    730

    3000

    3250

    5

    DA-A500x3500

    160

    686

    3500

    3750

    6

    产品性能曲线:

    R:KN          E:KN.M

    RS

    RH

    RO

    RL

    52.5%

    55%

    52.5%

    55%

    52.5%

    55%

    52.5%

    55%

    DA-A500X1000

    R

    540

    750

    415

    576

    344

    478

    295

    410

    E

    113

    121

    87

    93

    72

    77

    62

    66

    DA-A500X1500

    R

    810

    1125

    623

    864

    516

    717

    443

    615

    E

    170

    182

    131

    140

    108

    116

    93

    99

    DA-A500X2000

    R

    1080

    1500

    830

    1152

    688

    956

    590

    820

    E

    226

    242

    174

    186

    144

    154

    124

    132

    DA-A500X2500

    R

    1350

    1875

    1038

    1440

    860

    1195

    738

    1025

    E

    283

    303

    218

    233

    180

    193

    155

    165

    DA-A500X3000

    R

    1620

    2250

    1245

    1728

    1032

    1434

    885

    1230

    E

    339

    363

    261

    279

    216

    231

    186

    198

    DA-A500X3500

    R

    1890

    2625

    1453

    2016

    1204

    1673

    1033

    1435

    E

    396

    424

    305

    326

    252

    270

    217

    231

    说明:性能公差±10%

    4.DA-A600H

    image.png

    规格尺寸

    C(mm)

    P(mm)

    L1(mm)

    L(mm)

    n

    DA-A600X1000

    170

    960

    1000

    1300

    2

    DA-A600X1500

    170

    730

    1500

    1800

    3

    DA-A600X2000

    167.5

    655

    2000

    2300

    4

    DA-A600X2500

    170

    820

    2500

    2800

    4

    DA-A600X3000

    170

    740

    3000

    3300

    5

    DA-A600x3500

    170

    692

    3500

    3800

    6

    产品性能曲线:

    R:KN          E:KN.M

    RS

    RH

    RO

    RL

    52.5%

    55%

    52.5%

    55%

    52.5%

    55%

    52.5%

    55%

    DA-A600X1000

    R

    647

    899

    498

    692

    412

    572

    354

    492

    E

    163

    175

    126

    135

    104

    111

    89

    95

    DA-A600X1500

    R

    971

    1349

    747

    1038

    618

    858

    531

    738

    E

    245

    263

    189

    203

    156

    167

    134

    143

    DA-A600X2000

    R

    1294

    1798

    996

    1384

    824

    1144

    708

    984

    E

    326

    350

    252

    270

    208

    222

    178

    190

    DA-A600X2500

    R

    1618

    2248

    1245

    1730

    1030

    1430

    885

    1230

    E

    408

    438

    315

    338

    260

    278

    223

    238

    DA-A600X3000

    R

    1941

    2697

    1949

    2076

    1236

    1716

    1062

    1476

    E

    489

    525

    378

    405

    312

    333

    167

    285

    DA-A4600X3500

    R

    2265

    3147

    1734

    2422

    1442

    2002

    1239

    1722

    E

    571

    613

    441

    473

    364

    389

    312

    333

    说明:性能公差±10%

    5.DA-A800H

    image.png

    规格尺寸

    C(mm)

    P(mm)

    L1(mm)

    L(mm)

    n

    DA-A800X1000

    180

    1040

    1000

    1400

    2

    DA-A800X1500

    180

    770

    1500

    1900

    3

    DA-A800X2000

    182

    680

    2000

    2400

    4

    DA-A800X2500

    182.5

    845

    2500

    2900

    4

    DA-A800X3000

    180

    760

    3000

    3400

    5

    产品性能曲线:

    R:KN          E:KN.M

    RS

    RH

    RO

    RL

    52.5%

    55%

    52.5%

    55%

    52.5%

    55%

    52.5%

    55%

    DA-A800X1000

    R

    864

    1200

    664

    922

    550

    764

    472

    656

    E

    290

    311

    223

    239

    185

    198

    159

    170

    DA-A800X1500

    R

    1296

    1800

    996

    1383

    825

    1146

    708

    984

    E

    435

    467

    335

    359

    278

    297

    239

    255

    DA-A800X2000

    R

    1728

    2400

    1328

    1844

    1100

    1528

    944

    1312

    E

    580

    622

    446

    478

    370

    396

    318

    340

    DA-A800X2500

    R

    2160

    3000

    1660

    2305

    1375

    1910

    1180

    1640

    E

    725

    778

    558

    598

    463

    495

    398

    425

    DA-A800X3000

    R

    2592

    3000

    1992

    2766

    1650

    2292

    1416

    1968

    E

    870

    933

    669

    717

    555

    594

    477

    510

    说明:性能公差±10%

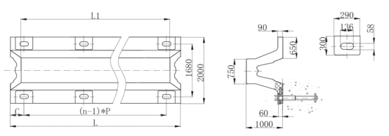
    6.DA-A1000H

    image.png

    规格尺寸

    C(mm)

    P(mm)

    L1(mm)

    L(mm)

    n

    DA-A1000X1000

    200

    1100

    1000

    1500

    2

    DA-A1000X1500

    200

    800

    1500

    2000

    3

    DA-A1000X2000

    202

    700

    2000

    2500

    4

    产品性能曲线:

    R:KN          E:KN.M

    RS

    RH

    RO

    RL

    52.5%

    55%

    52.5%

    55%

    52.5%

    55%

    52.5%

    55%

    DA-A1000X1000

    R

    1080

    1500

    830

    1153

    688

    956

    590

    820

    E

    454

    486

    349

    374

    289

    310

    248

    266

    DA-A1000X1500

    R

    1620

    2250

    1245

    1730

    1032

    1434

    885

    1260

    E

    681

    729

    524

    561

    434

    465

    372

    399

    DA-A1000X2000

    R

    2160

    3000

    1660

    2306

    1376

    1912

    1180

    1640

    E

    908

    972

    698

    748

    578

    620

    496

    532

    说明:性能公差±10%

    相关类型:

    1471935133.png

    九游(中国)





    相关产品

    超级拱形橡胶护舷

    超级拱形橡胶护舷

    产品分类

    • 缓冲器
      • NINEGAME.COM
      • 九游(中国)
      • 复合缓冲器
      • 聚氨酯缓冲器
      • 弹簧缓冲器
      • 橡胶缓冲器
      • 液气缓冲器
      • 气混九游(中国)
    • 橡胶护舷
      • 超级鼓型橡胶护舷
      • 超级锥型橡胶护舷
      • 超级拱形橡胶护舷
      • 圆筒形橡胶护舷
      • D型橡胶护舷
      • 充气橡胶护舷
      • 漂浮型护舷
      • 拖轮橡胶护舷
      • 方型橡胶护舷
      • GD型橡胶护舷
      • ME型橡胶护舷
      • W型护舷
      • 转动护舷
      • 橡胶梯
    • 防冲板
    • 系船柱
      • 单柱式系船柱
      • T型系船柱
    • 相关配件

    最新动态

    • 使用橡胶护舷的优势
      3/24
    • 橡胶护舷运用行业
      3/11
    • 缓冲器的使用运行
      2/19

    订阅我们

    欢迎订阅我们的电子邮件通讯,获取我们的最新产品和新闻信息!

    九游(中国)

     

     024-54077398

     +86 189 6952 1763

    service@liaoningqingyuan.com

     fendersys@hotmail.com

     辽宁抚顺大柳工业园区

    微信二维码

    Deutsch Espanol Francais Italiano Portugues Japanese Korean Arabic Russian

    版权所有:NINEGAME.COM 备案号:辽ICP备2020011507号

    立刻联系!
    立刻联系!





    乐动网站 | 江南在线注册 | 米兰网页版(中国)官方网站 | 华体会(中国)官方网站 | 米兰官方网站 | 江南注册大厅_江南(中国) | 米兰网页版 | 华球体育下载_华球(中国) | 江南网页版登录入口 |